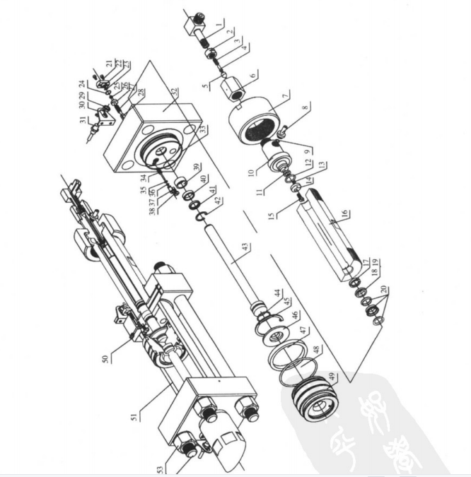
1、增压器
增压器是水刀增压较为完整的一个配件,通过油泵的增压在增压器内形成高压,再由止回阀单向形成高压水。增压器是水刀配件中非常重要的一个部位,影响了整个水刀的质量以及效率,是水刀的核心。

2、高压缸
高压缸是增压器重要的一个部位,物理压缩形成超高水压,同时高压缸也最先承受压力,如果长期工作金属疲劳也是容易导致高压缸的损坏。建议使用进口高压缸,国外锻造标准使得高压缸可以承受更高的压力,不容易爆缸。
3、高压杆
陶瓷质的高压杆对比金属材质具有更高的硬度且不容易变型,使得工作更加稳定。陶瓷杆一般国产和进口之分,进口陶瓷杆更加坚硬光滑,更加平稳耐用。
4、活塞
活塞两端固定的是活塞杆,通过两边的高压将活塞杆将水挤压形成高压。活塞处于压力的最中央,因此需要高硬度和厚度才能避免挤压变形。
5、单向阀
单向阀也是止回阀,使高压水无法逆流,一头连接高压缸以及高压管,自然水进入高压缸形成高压水后通过止回阀进入高压管且无法回流。止回阀建议用进口件,进口止回阀具有高质量的特点,可以保证超长使用寿命。

6、高压密封组
高压密封组填补了高压配件之间的间隙,让连接之间阻绝形成高压,同时高压组件也承受着很高的压力,运动中容易损坏,使得效率大大降低,通常一段时间就需要更换,优质的高压密封组才能长期稳定工作。