单孔喷头主要包括喷嘴(或喷嘴总成)与喷头体,其目的是缩小喷嘴尺寸,选用高硬度、高强度的耐磨材料,既可提高寿命,又便于加工,同时还能产生不同的射流形式。 喷嘴做成凸缘,便于压紧连接;采用紫铜密封垫圈,依靠其塑性变形密封,这种垫圈拆卸后往往不可复用;喷头体形状较特别,其延伸段做成三爪刃形,作业中有明显的切削和疏通作用,还能很好地保护喷嘴,同时保证了垢层与喷嘴间固定的靶距。单孔喷头普遍应用在超高压,由千超高压喷嘴尺寸往往受特殊材料加工成形工艺等限制,随之就给喷嘴与喷头体连接的超高压静密封带来一些困难。
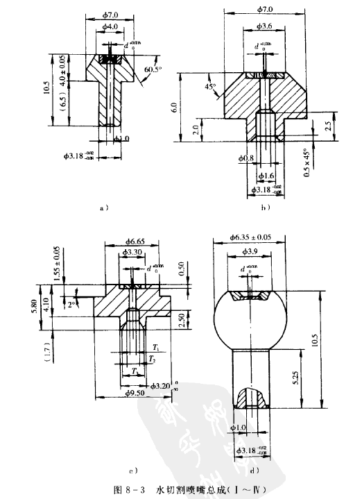
如图所示为 4 种不同型式的超高压喷嘴总成,不难看出它们共 同的特点是喷嘴均位于喷嘴体上表面,且喷嘴均以尼龙或PTFE等材 料作密封圈。 图a、图b之喷嘴体上表面采用锥面密封;图c为微锥面 密封;图d则为球面密封,它的另一特色是可以球体旋转较容易地使水喷嘴与磨料喷嘴对中调心。 另外,图a 图c的喷嘴为扩散形,在如此小尺寸下加工这一扩散形是不容易的。 所有喷嘴的共同特点是直径极小,为0.08,__,l. 0mm,公差均为0. 006mm。 通过这些图我们可以看到超高压水切割喷嘴总成的工艺难度很大,同时它对与其关联的零件要求也很高。

上述喷嘴总成中的喷嘴均以红宝石或蓝宝石制造,喷嘴体则多为 优质不锈钢。更多的固定喷头还是采用多喷嘴结构,因为多束射流适应较大直径管道清洗。 当然,多束射流也需要较大功率的机组为其提供流量。
高压水射流多孔喷头型式很多,其原则就是将喷嘴与喷头体分开, 易拆易换。 喷嘴与喷头体的连接主要采用外六角螺母式或内六角螺母 式,喷嘴与喷嘴套根据不同参数和结构设计可分可合。 图8-4所示为 一列式喷头,为了各束射流的不间断,扇形喷角的安装角度 (150 ) 十分 讲究这个问题在其他喷头上也时有出现。 为保证喷嘴的安装到位,加 工中对喷嘴连接端面要求很高,应保证喷嘴轴心线与其连接端面的垂直。 这样,既便千钻孔攻丝,又能保证高压水的密封。 一般在喷嘴与连 接端面设有紫铜垫圈密封。 喷嘴的安装方向决定了射流的方向,如轴向、径向、斜向向前及斜向向后。 斜向向后喷的反向射流可使喷头自进。 这是多孔喷头长见特点,在清洗的同时,它为软管自进提供了动力。